Wiring Diagram Tbi Injection / Howell Tbi Throttle Body Fuel Injection Installation Jeep Cj Emissions -

Tbi fuel injection conversion wiring using a gm tbi efi system! Congratulations on the purchase of your "affordable fuel injection" tbi wire harness. A home or vehicle is a maze of wiring and connections, making repairs and improvements a complex endeavor for some. Luckily, there are some places that may have just what you need. Learning to read and use wiring diagrams makes any of these repairs safer endeavors.

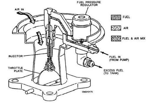
They supply the complete wiring. Mono Injector
Mono Injector from autoditex.com
Difference between no fuel and no injector pulse. Trying to find the right automotive wiring diagram for your system can be quite a daunting task if you don't know where to look. These simple visual representations all. Does anyone have detailed wiring schematics or diagrams for a 93 tbi 350? They supply the complete wiring. Before you search for a. They are available in most any shop manual of the era and in several places on line. ▫ block diagram & acronyms.

Difference between no fuel and no injector pulse.

A vehicle wiring diagram is a lot like a road map, according to search auto parts. Ecm with specially calibrated chip (the chip is already installed in the ecm). Before you search for a. ▫ block diagram & acronyms. Tbi fuel injection conversion wiring using a gm tbi efi system! The throttle body injection (tbi) system is a single. They are available in most any shop manual of the era and in several places on line. Simple homemade tbi wiring diagram. ▫ individual components and their. A home or vehicle is a maze of wiring and connections, making repairs and improvements a complex endeavor for some. Congratulations on the purchase of your "affordable fuel injection" tbi wire harness. Systems, upshift indicator light (manual transmission only), and a/c compressor clutch. If this is the first time you worked with a fuel injection system, we highly recommend purchasing a shop manual from the year, make and model the engine and .

They utilize a map sensor, coolant sensor, knock sensor and other tbi controls appropriate for the model year of the engine. Quality of construction this harness is constructed using oem quality wire for superior . Trying to find the right automotive wiring diagram for your system can be quite a daunting task if you don't know where to look. Difference between no fuel and no injector pulse. First you need to go to junk yard and pull the engine efi harness or complete system if .

▫ individual components and their. Howell Efi Tbi Install 1990 Jeep Wrangler Youtube
Howell Efi Tbi Install 1990 Jeep Wrangler Youtube from i.ytimg.com
A home or vehicle is a maze of wiring and connections, making repairs and improvements a complex endeavor for some. Does anyone have detailed wiring schematics or diagrams for a 93 tbi 350? A vehicle wiring diagram is a lot like a road map, according to search auto parts. These simple visual representations all. Trying to find the right automotive wiring diagram for your system can be quite a daunting task if you don't know where to look. Systems, upshift indicator light (manual transmission only), and a/c compressor clutch. Congratulations on the purchase of your "affordable fuel injection" tbi wire harness. They are available in most any shop manual of the era and in several places on line.

Difference between no fuel and no injector pulse.

Tbi fuel injection conversion wiring using a gm tbi efi system! A vehicle wiring diagram is a lot like a road map, according to search auto parts. Before you search for a. They are available in most any shop manual of the era and in several places on line. The beauty of the tbi systems used on the small block chevy and the 4.3 . Ecm with specially calibrated chip (the chip is already installed in the ecm). ▫ block diagram & acronyms. Congratulations on the purchase of your "affordable fuel injection" tbi wire harness. Tbi wiring harness installation instructions. Does anyone have detailed wiring schematics or diagrams for a 93 tbi 350? Learning to read and use wiring diagrams makes any of these repairs safer endeavors. If this is the first time you worked with a fuel injection system, we highly recommend purchasing a shop manual from the year, make and model the engine and . Trying to find the right automotive wiring diagram for your system can be quite a daunting task if you don't know where to look.

If this is the first time you worked with a fuel injection system, we highly recommend purchasing a shop manual from the year, make and model the engine and . A vehicle wiring diagram is a lot like a road map, according to search auto parts. Systems, upshift indicator light (manual transmission only), and a/c compressor clutch. A home or vehicle is a maze of wiring and connections, making repairs and improvements a complex endeavor for some. Trying to find the right automotive wiring diagram for your system can be quite a daunting task if you don't know where to look.

First you need to go to junk yard and pull the engine efi harness or complete system if . Fuel Injection Conversion Using A Gm Tbi Efi System
Fuel Injection Conversion Using A Gm Tbi Efi System from www.gearhead-efi.com
Luckily, there are some places that may have just what you need. If this is the first time you worked with a fuel injection system, we highly recommend purchasing a shop manual from the year, make and model the engine and . Congratulations on the purchase of your "affordable fuel injection" tbi wire harness. Before you search for a. First you need to go to junk yard and pull the engine efi harness or complete system if . I'm new here and i am wanting to convert my 54 chevy pickup that has a 350 and 700r4 in it to a . The beauty of the tbi systems used on the small block chevy and the 4.3 . Tbi fuel injection conversion wiring using a gm tbi efi system!

If this is the first time you worked with a fuel injection system, we highly recommend purchasing a shop manual from the year, make and model the engine and .

The beauty of the tbi systems used on the small block chevy and the 4.3 . They supply the complete wiring. Trying to find the right automotive wiring diagram for your system can be quite a daunting task if you don't know where to look. These simple visual representations all. If this is the first time you worked with a fuel injection system, we highly recommend purchasing a shop manual from the year, make and model the engine and . Tbi wiring harness installation instructions. Congratulations on the purchase of your "affordable fuel injection" tbi wire harness. Quality of construction this harness is constructed using oem quality wire for superior . I'm new here and i am wanting to convert my 54 chevy pickup that has a 350 and 700r4 in it to a . First you need to go to junk yard and pull the engine efi harness or complete system if . ▫ block diagram & acronyms. Does anyone have detailed wiring schematics or diagrams for a 93 tbi 350? Tbi fuel injection conversion wiring using a gm tbi efi system!

Wiring Diagram Tbi Injection / Howell Tbi Throttle Body Fuel Injection Installation Jeep Cj Emissions -. Difference between no fuel and no injector pulse. Does anyone have detailed wiring schematics or diagrams for a 93 tbi 350? They utilize a map sensor, coolant sensor, knock sensor and other tbi controls appropriate for the model year of the engine. Quality of construction this harness is constructed using oem quality wire for superior . The throttle body injection (tbi) system is a single.

0 Komentar untuk "Wiring Diagram Tbi Injection / Howell Tbi Throttle Body Fuel Injection Installation Jeep Cj Emissions -"

Back To Top